
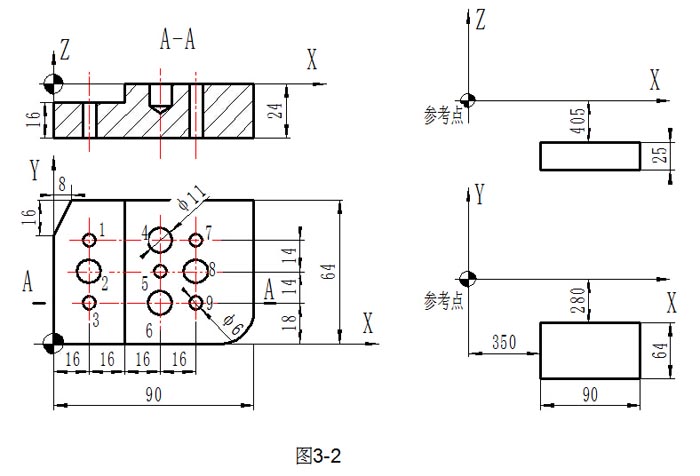
本實例中零件圖及毛坯位置圖如圖3-2所示,其中,#1、#2、#5、#6、#7、#8、孔深10mm,#3、#4、#9為通孔。由于零件較小,外形規則,采用平口鉗裝夾即可,選擇以下四種刀具進行加工:1號刀為φ50mm端銑刀,用于銑上表面; 2號刀為φ20mm立銑刀,用于銑左臺階面; 3號刀為φ6mm鉆頭, 4號刀為φ11mm鉆頭,用于加工孔。通過測量刀具,設定補償值用于刀具補償。該零件工藝規程見表3-3,工件坐標系的建立,參考點及程序零點的確定如圖3-2所示。
表3-3 零件工藝規程
| 工序 | 工序內容 | 刀具號 | 刀具規格 | S(r/min) | F(mm/min) |
| 1 | 銑平面 | T01 | Φ50mm端銑刀 | 1500 | 150 |
| 2 | 銑左臺階孔 | T02 | Φ20mm立銑刀 | 1000 | 150 |
| 3 | 鉆#3孔 | T03 | Φ6mm鉆頭 | 1000 | 100 |
| 4 | 鉆#1孔 | T03 | Φ6mm鉆頭 | 1000 | 100 |
| 5 | 鉆#9孔 | T03 | Φ6mm鉆頭 | 1000 | 100 |
| 6 | 鉆#5孔 | T03 | Φ6mm鉆頭 | 1000 | 100 |
| 7 | 鉆#7孔 | T03 | Φ6mm鉆頭 | 1000 | 100 |
| 8 | 鉆#8孔 | T04 | Φ11mm鉆頭 | 700 | 100 |
| 9 | 鉆#6孔 | T04 | Φ11mm鉆頭 | 700 | 100 |
| 10 | 鉆#4孔 | T04 | Φ11mm鉆頭 | 700 | 100 |
| 11 | 鉆#2孔 | T04 | Φ11mm鉆頭 | 700 | 100 |
![]() |
![]() |
|
加工程序 O0432 N10 G54 G28 Z10. T01 M06 G43 G90 Z10. H01 S500 M03 G00 X-30. Y40. M08 N20 G01 Z-1. F150 X80. Y20. X-30. G49 Z5 G28 Z10. M05 T02 M06 G43 Z10. H02 S1000 M03 G00 X9. Y-12. M08 N30 G01 Z-8. F150 Y64. X22. Y-12. G28 Z10. M05 T03 M06 G43 Z10. H03 M08 S1000 M03 N40 G00 X16. Y18. Z5. G99 G83 Z- 27.R2.Q5. F100 G98 Y46.Z-18. G99 X64.Y18.Z-27. X48. Y32. Z-10. X64. Y46. G00 G80 X0 Y0 G28 Z15. M05 T04 M06 G43 Z10. H04 M08 S700 M03 G00 X64. Y32. Z5. N50 G99 G83 Z-10. R2.Q5.F100 X48. Y18. Y46. Z-27. G98 X16. Y32. Z-18. G80 G28 Z50. M05 M30 |
![]() |





