|
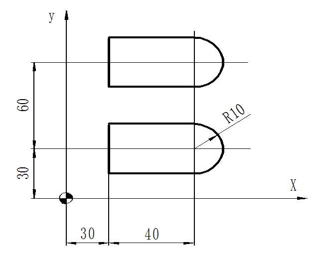
N1 G92 X0 Y0 Z50 N2 M03 S500 N3 G00 X19 Y24 N4 Z5 N5 G01 Z-3 F40 N6 Y56 N7 G02 X29 Y66 R10 (N7 G02 X29 Y66 I10) N8 G01 X71 N9 G02 X81 Y56 R10 (N9 G02 X81 Y56 J-10) N10 G01 Y24 N111 G02 X71 Y14 R10 (N11 G02 X71 Y14 I-10) N12 G01 X29 N13 G02 X19 Y24 R10 (N13 G02 X19 Y24 J10) N14 G00 Z50 N15 X0 Y0 N16 M30 |
![]() |
- 子程序:
- 一次裝夾加工多個相同零件或一個零件有重復加工部分的情況下可使用子程序。
- 說明:子程序不是NC系統的標準功能,不同的NC系統所用的指令和格式均不相同。
-
例一:如圖所示,加工兩個相同的工件,試編寫其加工程序。Z軸開始點為工件上方100mm處,切深10mm。

|
子程序 O100; N10 G91 G00 Z-95.0; N20 G41 X40.0 Y20.0 D01; N30 G01 Z-15.0 F100.0; N40 Y30.0; N50 X-10.0; N60 X10.0 Y30.0; N70 X40.0; N80 X10.0 Y-30.0; N90 X-10.0; N100 Y-20.0; N110 X-50.0; N120 Z110.0; N130 G40 X-30.0 Y-30.0 M99; |
1、編寫子程序時,一般采用增量方式編程,這樣可減少計算量。
2、主程序中的模態指令可被子程序中同一組的其它G代碼所*改。如子程序用了G91代碼后,在返回主程序時將繼續以G91方式進行,故應特別注意代碼的轉換,否則可能產生位置錯誤。
3、調用程序時使用刀補,*好不要在刀具補償狀態下的主程序中調用子程序,換句話說,刀補的建立和取消應在子程序中進行。如果必須在主程序中建立,則應在主程序中消除。決不能在主程序中建立,在子程序中消除,也不能在子程序中建立,在主程序中消除,否則極易出錯。
4、子程序不能單獨運行。
例二:如圖所示,加工兩個相同的工件,試編寫其加工程序。切深10mm。




